Подшипник 6020 FAG
Артикул:
6020FAG
Подшипник 6020 FAG
Подробнее
Уточните наличие и цену
Запрос цены
Наши менеджеры обязательно свяжутся с вами и уточнят условия заказа
Цена действительна при наличии товара на складе.
Ответим на все интересующие вопросы и подберём оптимальный вариант info@euromehanika.ru
Описание
Шариковые подшипники предназначены для передачи вращения с наименьшим сопротивлением, а так же для передачи нагрузки на иные конструкционные элементы. Телами качения являются шарики.Бывают однорядными, двухрядными, без уплотнений и закрытые (металлическими и резиновыми шайбами). Подходят для восприятия радиальных и осевых нагрузок.
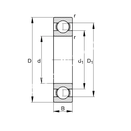
Характеристики
|
Диаметр отверстия подшипника, d, мм
|
100 |
|
Наружный диаметр подшипника, D, мм
|
150 |
|
Ширина подшиника, B, мм
|
24 |
|
Уплотнения
|
Нет |
|
D1, мм
|
134 |
|
r мин., мм
|
1,5 |
|
d1, мм
|
117 |
|
Динамическая грузоподъемность, радиальная, Cr, Кн
|
60 000 |
|
Статическая грузоподъемность, радиальная, C0r, kН
|
54 000 |
|
Нагрузка предела усталости, радиальная, Cur, Н
|
2 700 |
|
Предельная частота вращения, nG, об/мин
|
9 500 |
|
Базовая тепловая частота вращения, nB, об/мин
|
5 400 |
|
Производитель
|
FAG |
|
Вес, кг
|
1,32 |
Будьте всегда в курсе!
Узнавайте о скидках и акциях первым
Новости
Все новости
17 сентября 2025
«Евромеханика» в Телеграм
12 сентября 2025
Новое поступление шестерней
8 августа 2025
Поступление зубчатых шкивов




























