Виброизолятор PM4 20x11 55 Shore A
146.20 руб./шт
Уточните наличие и цену
Запрос цены
Наши менеджеры обязательно свяжутся с вами и уточнят условия заказа
Цена действительна при наличии товара на складе.
Ответим на все интересующие вопросы и подберём оптимальный вариант info@euromehanika.ru
Описание
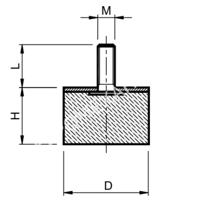
Виброизолятор PM4 20x11 55 Shore A Тип D, резинометаллический цилиндрический с одной резьбовой шпилькой. Данный буфер применяется для гашения толчков и снижения амортизационного хода движущихся масс. Применяется в станках, холодильном оборудовании.Характеристики
|
Тип
|
Тип D |
|
D, мм
|
20 |
|
H, мм
|
11 |
|
L, мм
|
18 |
|
M, мм
|
M6 |
|
Твердость
|
SHORE A 55° +/-5° |
|
Материал
|
Сталь оцинкованная |
|
Производитель
|
Tecnidea Cidue S.R.L. |
Наличие
Новости
Все новости
2 марта 2026
Крупная отгрузка: работаем на промышленных масштабах
17 сентября 2025
«Евромеханика» в Телеграм
12 сентября 2025
Новое поступление шестерней




























