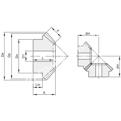
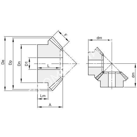
Коническая шестерня прямозубая, i=1, M=1, Z=16
Хит
1 367 руб./шт
Есть в наличии
-
+
В корзину
Купить в 1 клик
Цена действительна при наличии товара на складе.
Минимальная сумма заказа - 1000 рублей.
Ответим на все интересующие вопросы и подберём оптимальный вариант info@euromehanika.ru
Описание
Коническая шестерня прямозубая для конической прямозубой пары i=1, M=1, Z1=16, Z2=16Характеристики
|
Модуль, М
|
1 |
|
Передаточное отношение
|
1:1 |
|
Количество зубьев,шт
|
16 |
|
D1, мм
|
4 |
|
De, мм
|
17,4 |
|
Dp, мм
|
16 |
|
F, мм
|
4 |
|
Dn, мм
|
13,3 |
|
dm, мм
|
16 |
|
Lm, мм
|
6,7 |
|
A, мм
|
11,2 |
|
Производитель
|
BEA INGRANAGGI |
|
Вес, кг
|
0.02 |
Наличие
Новости
Все новости
12 марта 2026
«Евромеханика» получила благодарственное письмо
6 марта 2026
Поздравляем с 8 Марта!
2 марта 2026
Крупная отгрузка: работаем на промышленных масштабах




























