Полумуфта под расточку N-EUPEX 250 часть 1, dmax=100 мм, EMT
38 265 руб./шт
Есть в наличии
Нашли дешевле?
-
+
В корзину
Купить в 1 клик
Цена действительна при наличии товара на складе.
Минимальная сумма заказа - 1000 рублей.
Ответим на все интересующие вопросы и подберём оптимальный вариант info@euromehanika.ru
Описание
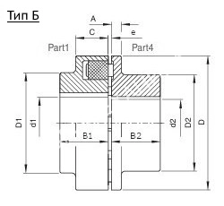
Полумуфта под расточку N-EUPEX 250 часть 1, соединительная, максимальный диаметр отверстия - 100 мм. Максимальная скорость вращения - 2750 об/мин. Номинальный крутящий момент - 2800 Н·м.Муфты N-EUPEX - полные аналоги муфты N-PEX (MTD), PEX (Desch), ELKU-N (KWD).
Характеристики
|
Посадка на вал
|
под расточку |
|
Тип муфты
|
N-EUPEX 250 |
|
D, мм
|
250 |
|
B1, мм
|
100 |
|
D1, мм
|
165 |
|
e, мм
|
3,8 |
|
Максимальный диаметр отверстия, dmax ,мм
|
100 |
|
Скорость вращения, max
|
2750 |
|
Крутящий момент, TK, Nm
|
2800 |
|
Крутящий момент максимальный , TK max, Nm
|
8400 |
|
C, мм
|
60 |
|
Материал
|
Чугун |
|
Производитель
|
EMT |
|
Вес, кг
|
19.5 |
Наличие
Новости
Все новости
6 апреля 2026
Нашли дешевле? Мы предложим максимально выгодную цену!
12 марта 2026
«Евромеханика» получила благодарственное письмо
6 марта 2026
Поздравляем с 8 Марта!
































