Металлический профиль C5 12х28, S=1,5 мм, цинк
728 руб./м
Уточните наличие и цену
Нашли дешевле?
Запрос цены
Наши менеджеры обязательно свяжутся с вами и уточнят условия заказа
Цена действительна при наличии товара на складе.
Минимальная сумма заказа - 1000 рублей.
Ответим на все интересующие вопросы и подберём оптимальный вариант info@euromehanika.ru
Описание
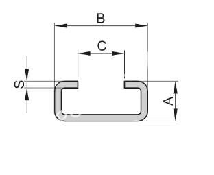
Металлический профиль C5 изготовленный из оцинкованной стали, применяется для монтажа направляющих скольжения из полиэтилена. Является крепежным элементом. Поставляется отрезками длиной 2000мм.Характеристики
|
Тип
|
C5 |
|
S, мм
|
1,5 |
|
A, мм
|
12 |
|
B, мм
|
28 |
|
C, мм
|
14 |
|
Материал
|
Оцинкованная сталь |
|
Производитель
|
EMT |
|
Вес, кг
|
0,64 |
Наличие
Новости
Все новости
30 апреля 2026
Новинки: ходовые винты и гайки «EMT» уже в наличии
6 апреля 2026
Нашли дешевле? Мы предложим максимально выгодную цену!





























