Натяжитель GRIGIO GP 10 NB2S со звездочкой для цепи 08B-1, Z=18
4 639 руб./шт
Уточните наличие и цену
Нашли дешевле?
Запрос цены
Наши менеджеры обязательно свяжутся с вами и уточнят условия заказа
Цена действительна при наличии товара на складе.
Минимальная сумма заказа - 1000 рублей.
Ответим на все интересующие вопросы и подберём оптимальный вариант info@euromehanika.ru
Описание
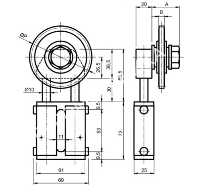
Натяжитель GRIGIO GP 10 NB2S со звездочкой для цепи 08B-1, Z=18, применяется для автоматического натяжения цепей в цепных передачах промышленного оборудования. Усилие натяжения 284 N. Корпус изготовлен из алюминия. Штоки и звездочка изготовлены из стали. Возможна комплектация со звездочкой с иным числом зубьев.Характеристики
|
Тип
|
GP 10 |
|
Тип цепи
|
08B-1 |
|
Число зубьев, шт
|
18 |
|
Делительный диаметр, dp, мм
|
73,14 |
|
Наружный диаметр, de, мм
|
77,8 |
|
R, мм
|
7,2 |
|
N
|
158 |
|
A, мм
|
34 |
|
Материал
|
Корпус из алюминия |
|
Производитель
|
Tecnidea Cidue S.R.L. |
|
Вес, кг
|
0,55 |
Наличие
Новости
Все новости
6 апреля 2026
Нашли дешевле? Мы предложим максимально выгодную цену!
12 марта 2026
«Евромеханика» получила благодарственное письмо
6 марта 2026
Поздравляем с 8 Марта!




























