Звездочка с готовым отверстием 10B-1, Z=12, D1=30 мм, с закалкой зубьев
Звездочка с готовым отверстием 10B-1, Z=12, D1=30 мм, с закалкой зубьев
Подробнее
1 078 руб./шт
Есть в наличии
-
+
В корзину
Купить в 1 клик
Цена действительна при наличии товара на складе.
Минимальная сумма заказа - 1000 рублей.
Ответим на все интересующие вопросы и подберём оптимальный вариант info@euromehanika.ru
Описание
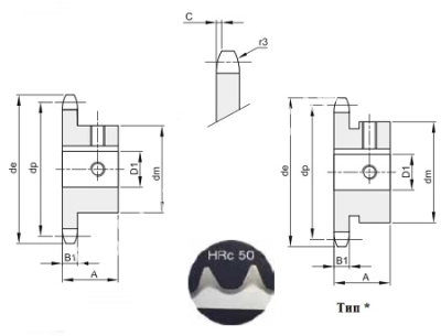
Звездочка для приводных цепей стандарта DIN 8187 - ISO 606 (BS). Имеет готовое отверстие, шпоночный паз, закалку зубьев HRC 50. Звездочка является одним из элементов цепной передачи и служит для передачи вращения между параллельными валами, расположенными друг от друга на расстоянии. Изготавливаются из конструкционных марок сталей.Характеристики
|
Тип цепи
|
10B-1 |
|
Шаг цепи
|
15,875х9,65 мм (5/8х3/8) |
|
Количество рядов зубьев
|
Однорядная |
|
Число зубьев,шт
|
12 |
|
Посадка на вал
|
С готовым отверстием |
|
Делительный диаметр, dp, мм
|
61,34 |
|
Наружный диаметр, de, мм
|
68,2 |
|
Диаметр ступицы, dm, мм
|
51* |
|
Диаметр отверстия,D1,мм
|
30 |
|
Размер ролика цепи, мм
|
10,16 |
|
Ширина зуба, B1, мм
|
9,1 |
|
Ширина звездочки, A,мм
|
30 |
|
r3,мм
|
16 |
|
Диаметр готового отверстия, D1, мм
|
30 |
|
Закалка зуба
|
Да |
|
C, мм
|
1,6 |
|
Материал
|
Сталь C45 |
|
Производитель
|
BEA INGRANAGGI |
|
Вес, кг
|
0,32 |
Наличие
Новости
Все новости
12 марта 2026
«Евромеханика» получила благодарственное письмо
6 марта 2026
Поздравляем с 8 Марта!
2 марта 2026
Крупная отгрузка: работаем на промышленных масштабах





























