Звездочка 06B-1, шаг 9,525х5,72 мм (3/8х7/32), Z=12 со ступицей (PS05012)
Звездочка 06B-1, шаг 9,525х5,72 мм (3/8х7/32), Z=12 со ступицей (PS05012)
Подробнее
331 руб./шт
Уточните наличие и цену
Запрос цены
Наши менеджеры обязательно свяжутся с вами и уточнят условия заказа
Цена действительна при наличии товара на складе.
Минимальная сумма заказа - 1000 рублей.
Ответим на все интересующие вопросы и подберём оптимальный вариант info@euromehanika.ru
Описание
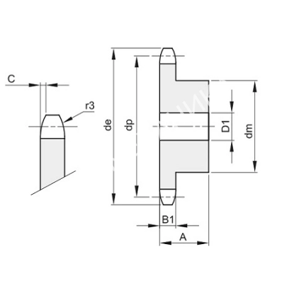
Звездочка является одним из элементов цепной передачи и служит для передачи вращения между параллельными валами, расположенными друг от друга на расстоянии. Изготавливаются из конструкционных марок сталей.Характеристики
|
Тип цепи
|
06B-1 |
|
Шаг цепи
|
9,525х5,72 мм (3/8х7/32) |
|
Количество рядов зубьев
|
Однорядная |
|
Число зубьев,шт
|
12 |
|
Посадка на вал
|
Под расточку |
|
Делительный диаметр, dp, мм
|
36,8 |
|
Наружный диаметр, de, мм
|
40,5 |
|
Диаметр ступицы, dm, мм
|
25 |
|
Диаметр отверстия,D1,мм
|
8 |
|
Размер ролика цепи, мм
|
6,35 |
|
Ширина зуба, B1, мм
|
5,3 |
|
Ширина звездочки, A,мм
|
25 |
|
r3,мм
|
10 |
|
Закалка зуба
|
Нет |
|
C, мм
|
1 |
|
Материал
|
Сталь C45 |
|
Производитель
|
BEA INGRANAGGI |
|
Вес, кг
|
0,10 |
Наличие
Новости
Все новости
12 марта 2026
«Евромеханика» получила благодарственное письмо
6 марта 2026
Поздравляем с 8 Марта!
2 марта 2026
Крупная отгрузка: работаем на промышленных масштабах




























