Звездочка 08B-1, шаг 12,7х7,75 мм (1/2х5/16), Z=15 со ступицей (PS09015)
Звездочка 08B-1, шаг 12,7x7,75 мм (1/2 х 5/16), Z=15 со ступицей (PS09015)
Подробнее
381 руб./шт
Есть в наличии
Нашли дешевле?
-
+
В корзину
Купить в 1 клик
Цена действительна при наличии товара на складе.
Минимальная сумма заказа - 1000 рублей.
Ответим на все интересующие вопросы и подберём оптимальный вариант info@euromehanika.ru
Описание
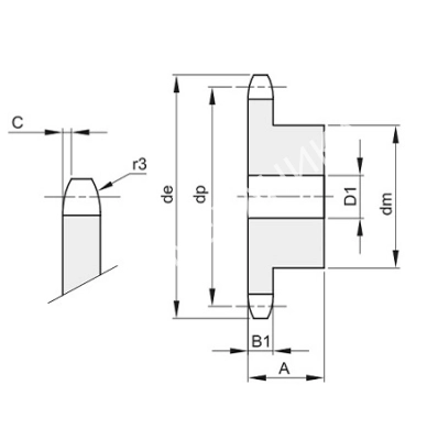
Звездочка является одним из элементов цепной передачи и служит для передачи вращения между параллельными валами, расположенными друг от друга на расстоянии. Изготавливаются из конструкционных марок сталей.Характеристики
|
Тип цепи
|
08B-1 |
|
Шаг цепи
|
12,7х7,75 мм (1/2х5/16) |
|
Количество рядов зубьев
|
Однорядная |
|
Число зубьев,шт
|
15 |
|
Посадка на вал
|
Под расточку |
|
Делительный диаметр, dp, мм
|
61,09 |
|
Наружный диаметр, de, мм
|
65,9 |
|
Диаметр ступицы, dm, мм
|
45 |
|
Диаметр отверстия,D1,мм
|
10 |
|
Размер ролика цепи, мм
|
8,51 |
|
Ширина зуба, B1, мм
|
7,2 |
|
Ширина звездочки, A,мм
|
28 |
|
r3,мм
|
13 |
|
Закалка зуба
|
Нет |
|
C, мм
|
1,3 |
|
Материал
|
Сталь C45 |
|
Производитель
|
BEA INGRANAGGI |
|
Вес, кг
|
0,38 |
Наличие
Новости
Все новости
30 апреля 2026
Новинки: ходовые винты и гайки «EMT» уже в наличии
6 апреля 2026
Нашли дешевле? Мы предложим максимально выгодную цену!




























