Подшипник 626-2RSR FAG
Артикул:
6262RSRFAG
Подшипник 626-2RSR FAG
Подробнее
Уточните наличие и цену
Нашли дешевле?
Запрос цены
Наши менеджеры обязательно свяжутся с вами и уточнят условия заказа
Цена действительна при наличии товара на складе.
Минимальная сумма заказа - 1000 рублей.
Ответим на все интересующие вопросы и подберём оптимальный вариант info@euromehanika.ru
Описание
Шариковые подшипники предназначены для передачи вращения с наименьшим сопротивлением, а так же для передачи нагрузки на иные конструкционные элементы. Телами качения являются шарики.Бывают однорядными, двухрядными, без уплотнений и закрытые (металлическими и резиновыми шайбами). Подходят для восприятия радиальных и осевых нагрузок.
Характеристики
|
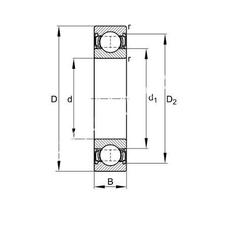
Диаметр отверстия подшипника, d, мм
|
6 |
|
Наружный диаметр подшипника, D, мм
|
19 |
|
Ширина подшиника, B, мм
|
6 |
|
Уплотнения
|
Пластиковые |
|
D2, мм
|
16,7 |
|
r мин., мм
|
0,3 |
|
d1, мм
|
11 |
|
Динамическая грузоподъемность, радиальная, Cr, Н
|
2 600 |
|
Статическая грузоподъемность, радиальная, C0r, Н
|
1 100 |
|
Нагрузка предела усталости, радиальная, Cur, Н
|
53 |
|
Предельная частота вращения, nG, об/мин
|
22 000 |
|
Производитель
|
FAG |
|
Вес, кг
|
0,008 |
Наличие
Новости
Все новости
6 апреля 2026
Нашли дешевле? Мы предложим максимально выгодную цену!
12 марта 2026
«Евромеханика» получила благодарственное письмо
6 марта 2026
Поздравляем с 8 Марта!




























