Подшипник 16007 FAG
Артикул:
16007FAG
Подшипник 16007 FAG
Подробнее
Уточните наличие и цену
Запрос цены
Наши менеджеры обязательно свяжутся с вами и уточнят условия заказа
Цена действительна при наличии товара на складе.
Минимальная сумма заказа - 1000 рублей.
Ответим на все интересующие вопросы и подберём оптимальный вариант info@euromehanika.ru
Описание
Шариковые подшипники предназначены для передачи вращения с наименьшим сопротивлением, а так же для передачи нагрузки на иные конструкционные элементы. Телами качения являются шарики.Бывают однорядными, двухрядными, без уплотнений и закрытые (металлическими и резиновыми шайбами). Подходят для восприятия радиальных и осевых нагрузок.
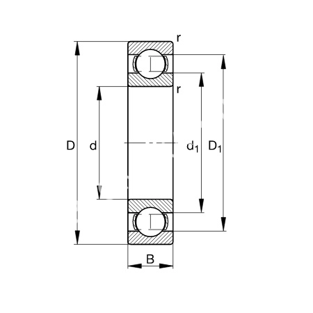
Характеристики
|
Диаметр отверстия подшипника, d ,мм
|
35 |
|
Наружный диаметр подшипника, D, мм
|
62 |
|
Ширина подшиника, B, мм
|
9 |
|
D1, мм
|
53,5 |
|
Уплотнения
|
Нет |
|
r мин., мм
|
0,3 |
|
d1, мм
|
44 |
|
Динамическая грузоподъемность, радиальная, Cr, Н
|
12 200 |
|
Статическая грузоподъемность, радиальная, C0r, Н
|
8 800 |
|
Нагрузка предела усталости, радиальная, Cur, Н
|
415 |
|
Предельная частота вращения, nG, об/мин
|
14 000 |
|
Базовая тепловая частота вращения, nB, об/мин
|
8 900 |
|
Производитель
|
FAG |
|
Вес, кг
|
0,105 |
Наличие
Новости
Все новости
12 марта 2026
«Евромеханика» получила благодарственное письмо
6 марта 2026
Поздравляем с 8 Марта!
2 марта 2026
Крупная отгрузка: работаем на промышленных масштабах




























