Модуль линейный (каретка) SBR 20 LUU (SBRL20), EMT
1 132 руб./шт
Есть в наличии
Нашли дешевле?
-
+
В корзину
Купить в 1 клик
Цена действительна при наличии товара на складе.
Минимальная сумма заказа - 1000 рублей.
Ответим на все интересующие вопросы и подберём оптимальный вариант info@euromehanika.ru
3Д модель
Откройте сайт с мобильного телефона. На этом устройстве режим просмотра не поддерживается
Описание
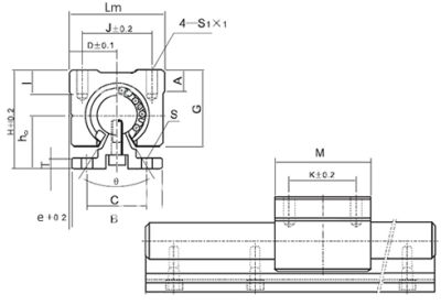
Удлиненный линейный модуль (каретка) открытого типа SBR20UU в алюминиевом корпусе, российского бренда ЕМТ, предназначена для плавного перемещения вдоль рельсовых направляющих SBR диаметром 20 мм, имеет с боку регулировочный винт, который позволяет сократить заводской люфт.Характеристики
|
Тип
|
SBR20 |
|
Тип подшипника
|
LM20-OP |
|
Диаметр отверстия, d, мм
|
20 |
|
D, мм
|
24,30 |
|
Исполнение отверстия
|
M6x12 |
|
H, мм
|
50 |
|
G, мм
|
39 |
|
Угол конакта, град
|
60 |
|
ho, мм
|
27 |
|
Lm, мм
|
48 |
|
e, мм
|
1,5 |
|
S, мм
|
5,5 |
|
M, мм
|
96,0 |
|
T, мм
|
5,0 |
|
J, мм
|
35 |
|
K, мм
|
70 |
|
A, мм
|
11,0 |
|
B, мм
|
45 |
|
C, мм
|
30 |
|
Динамическая грузоподъемность, радиальная, Cr, Н
|
1764 |
|
Статическая грузоподъемность, радиальная, C0r, Н
|
2740 |
|
Материал
|
Алюминий |
|
Производитель
|
EMT |
|
Вес, кг
|
0,4 |
Наличие
Новости
Все новости
6 апреля 2026
Нашли дешевле? Мы предложим максимально выгодную цену!
12 марта 2026
«Евромеханика» получила благодарственное письмо
6 марта 2026
Поздравляем с 8 Марта!




























