Модуль линейный (каретка) SBR 40 UU, EMT
2 437 руб./шт
Есть в наличии
Нашли дешевле?
-
+
В корзину
Купить в 1 клик
Цена действительна при наличии товара на складе.
Минимальная сумма заказа - 1000 рублей.
Ответим на все интересующие вопросы и подберём оптимальный вариант info@euromehanika.ru
Описание
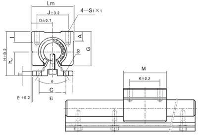
Компактный линейный модуль (каретка) открытого типа SBR40UU в алюминиевом корпусе, российского бренда ЕМТ, предназначена для плавного перемещения вдоль рельсовых направляющих SBR диаметром 40 мм, имеет с боку регулировочный винт, который позволяет сократить заводской люфт.Характеристики
|
Тип
|
SBR40 |
|
Тип подшипника
|
LM40-OP |
|
Диаметр отверстия, d, мм
|
40 |
|
D, мм
|
45 |
|
Исполнение отверстия
|
M10x20 |
|
H, мм
|
90 |
|
G, мм
|
72 |
|
Угол конакта, град
|
50 |
|
ho, мм
|
48 |
|
Lm, мм
|
90 |
|
e, мм
|
7,5 |
|
S, мм
|
9,0 |
|
M, мм
|
90,0 |
|
T, мм
|
9,0 |
|
J, мм
|
65 |
|
K, мм
|
65 |
|
A, мм
|
20,0 |
|
B, мм
|
75 |
|
C, мм
|
55 |
|
Динамическая грузоподъемность, радиальная, Cr, Н
|
2150 |
|
Статическая грузоподъемность, радиальная, C0r, Н
|
4010 |
|
Материал
|
Алюминий |
|
Производитель
|
EMT |
|
Вес, кг
|
1,33 |
Наличие
Новости
Все новости
6 апреля 2026
Нашли дешевле? Мы предложим максимально выгодную цену!
12 марта 2026
«Евромеханика» получила благодарственное письмо
6 марта 2026
Поздравляем с 8 Марта!




























