Модуль линейный (каретка) SCJ 16 UU (SC16AJ), EMT
615 руб./шт
Есть в наличии
Нашли дешевле?
-
+
В корзину
Купить в 1 клик
Цена действительна при наличии товара на складе.
Минимальная сумма заказа - 1000 рублей.
Ответим на все интересующие вопросы и подберём оптимальный вариант info@euromehanika.ru
Описание
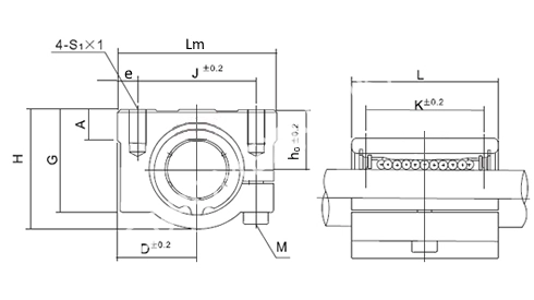
Регулируемый модуль линейный (каретка) закрытого типа SCJ (SCAJ) в алюминиевом корпусе, диаметром 16мм предназначен для высокоточного перемещения по цилиндрическим направляющим. Имеет винт, с помощью которого можзно устранить люфт и выбрать оптимальную степень натяга.Характеристики
|
Тип
|
SCJ(SCAJ) |
|
Тип подшипника
|
LM16UUAJ |
|
Диаметр отверстия, d, мм
|
16 |
|
D, мм
|
25 |
|
Исполнение отверстия
|
M5x12 |
|
H, мм
|
38,5 |
|
L, мм
|
44,0 |
|
G, мм
|
32,5 |
|
ho, мм
|
19 |
|
Lm, мм
|
50 |
|
e, мм
|
7,0 |
|
Тип болта, мм
|
М4 |
|
J, мм
|
36 |
|
K, мм
|
34 |
|
A, мм
|
9,0 |
|
Динамическая грузоподъемность, радиальная, Cr, Н
|
770 |
|
Статическая грузоподъемность, радиальная, C0r, Н
|
1170 |
|
Материал
|
Алюминий |
|
Производитель
|
EMT |
|
Вес, кг
|
0,189 |
Наличие
Новости
Все новости
6 апреля 2026
Нашли дешевле? Мы предложим максимально выгодную цену!
12 марта 2026
«Евромеханика» получила благодарственное письмо
6 марта 2026
Поздравляем с 8 Марта!




























