Опора вала SHF 8, EMT
289 руб./шт
Есть в наличии
Нашли дешевле?
-
+
В корзину
Купить в 1 клик
Цена действительна при наличии товара на складе.
Минимальная сумма заказа - 1000 рублей.
Ответим на все интересующие вопросы и подберём оптимальный вариант info@euromehanika.ru
Описание
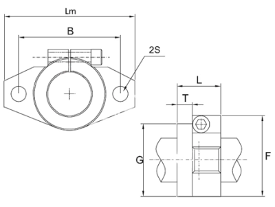
Концевая опора типа SHF 8, российского бренда ЕМТ, предназначена для торцевого монтажа направляющего вала диаметром 8 мм. Имеет ширину фланца 43 мм, межцентровое расстояние крепежных отверстий 32 мм. Держатель обеспечивает достаточную жесткость приспособления линейного перемещения.Характеристики
|
Тип
|
SHF8 |
|
Диаметр отверстия, d, мм
|
8 |
|
L, мм
|
10 |
|
G, мм
|
20 |
|
F, мм
|
24 |
|
Lm, мм
|
43 |
|
S, мм
|
5,5 |
|
Тип болта, мм
|
М5 |
|
T, мм
|
5 |
|
B, мм
|
32 |
|
Материал
|
Алюминий |
|
Производитель
|
EMT |
|
Вес, кг
|
0,013 |
Наличие
Новости
Все новости
6 апреля 2026
Нашли дешевле? Мы предложим максимально выгодную цену!
12 марта 2026
«Евромеханика» получила благодарственное письмо
6 марта 2026
Поздравляем с 8 Марта!




























