Натяжное устройство SE 18 (RE 30), EMT
5 443.20 руб./шт
6 048 руб.
-10%
Экономия 604.80 руб.
Есть в наличии
-
+
В корзину
Купить в 1 клик
Цена действительна при наличии товара на складе.
Ответим на все интересующие вопросы и подберём оптимальный вариант info@euromehanika.ru
Описание
Натяжное устройство тип SE 18 (RE 30), бренда EMT, предназначено для регулировки и поддержания оптимального натяжения ленты транспортера. Это позволяет предотвратить проскальзывание, провисание и преждевременный износ ленты, обеспечивая бесперебойную работу конвейера. Натяжное устройство типа SE отличается высокой прочностью и надежностью благодаря использованию высококачественных материалов и эластомерной вставки, выполненной из высокоэластичногонатурального каучука, обладающего отличной памятью
формы. Оно обеспечивает плавную регулировку натяжения, что позволяет точно настроить работу конвейера под конкретные задачи. Конструкция устройства проста и удобна в обслуживании, что минимизирует время простоя оборудования. Рабочая температура данных устройств
находится в температурном диапазоне от -40 до 80 °C
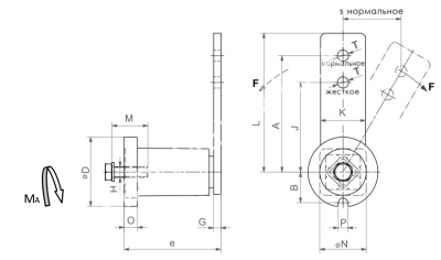
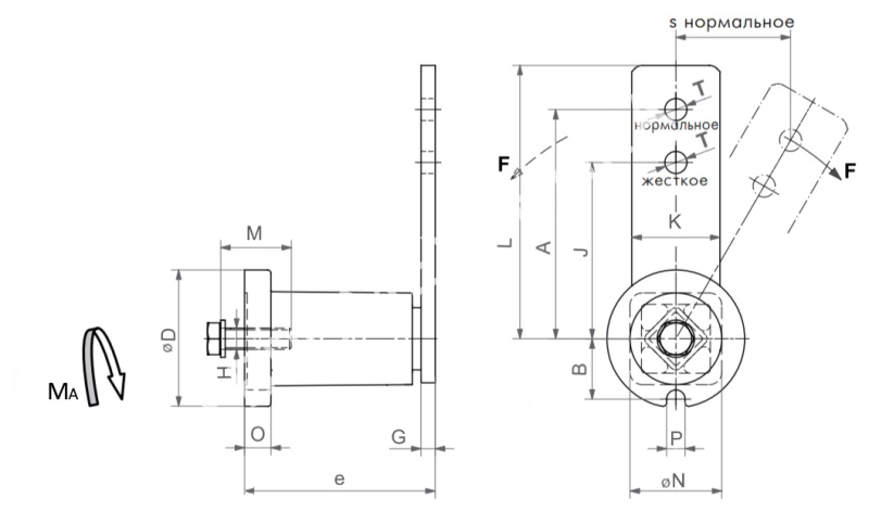
Характеристики
|
Тип
|
SE 18 |
|
D, мм
|
58 |
|
H, мм
|
М10 |
|
L, мм
|
115 |
|
G, мм
|
7 |
|
A, мм
|
100 |
|
e, мм
|
79 |
|
B, мм
|
25,3 |
|
P,мм
|
8,5 |
|
N, мм
|
35 |
|
M, мм
|
30 |
|
T, мм
|
10,5 |
|
J, мм
|
80 |
|
K, мм
|
30 |
|
O, мм
|
10,5 |
|
Материал
|
Сталь |
|
Производитель
|
EMT |
|
Вес, кг
|
0,6 |
Будьте всегда в курсе!
Узнавайте о скидках и акциях первым
Новости
Все новости
17 сентября 2025
«Евромеханика» в Телеграм
12 сентября 2025
Новое поступление шестерней
8 августа 2025
Поступление зубчатых шкивов




























