Ограничитель крутящего момента LC 50-2, EMT
Уточните наличие и цену
Нашли дешевле?
Запрос цены
Наши менеджеры обязательно свяжутся с вами и уточнят условия заказа
Цена действительна при наличии товара на складе.
Минимальная сумма заказа - 1000 рублей.
Ответим на все интересующие вопросы и подберём оптимальный вариант info@euromehanika.ru
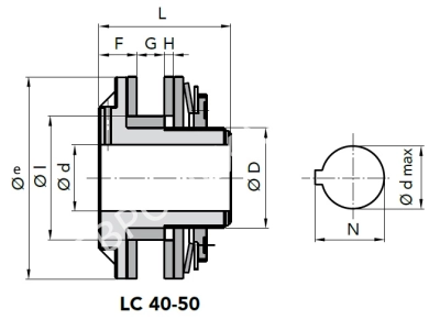
Характеристики
|
Диаметр отверстия, d ,мм
|
7 |
|
Количество пружин
|
2 |
|
Подходящие звездочки
|
06B-1, z=19-23; 08B-1, z=17 |
|
D, мм
|
32 |
|
H, мм
|
3 |
|
L, мм
|
35,5 |
|
G, мм
|
6 |
|
F, мм
|
10 |
|
e, мм
|
50 |
|
Максимальный диаметр отверстия, dmax ,мм
|
20 |
|
Крутящий момент максимальный, TK max, Nm
|
55 |
|
I,мм
|
35 |
|
N, мм
|
22,8 |
|
Материал
|
Сталь |
|
Производитель
|
EMT |
|
Вес, кг
|
0,37 |
Наличие
Новости
Все новости
30 апреля 2026
Новинки: ходовые винты и гайки «EMT» уже в наличии
6 апреля 2026
Нашли дешевле? Мы предложим максимально выгодную цену!




























