Сдвоенная звездочка для двух однорядных цепей 10B-1 шаг 15,875х9,65 мм (5/8х3/8) Z=21 без ступицы
Сдвоенная звездочка для двух однорядных цепей 10B-1 шаг 15,875x9,65 мм(5/8x3/8) Z=21 без ступицы
Подробнее
1 419 руб./шт
Есть в наличии
-
+
В корзину
Купить в 1 клик
Цена действительна при наличии товара на складе.
Минимальная сумма заказа - 1000 рублей.
Ответим на все интересующие вопросы и подберём оптимальный вариант info@euromehanika.ru
Описание
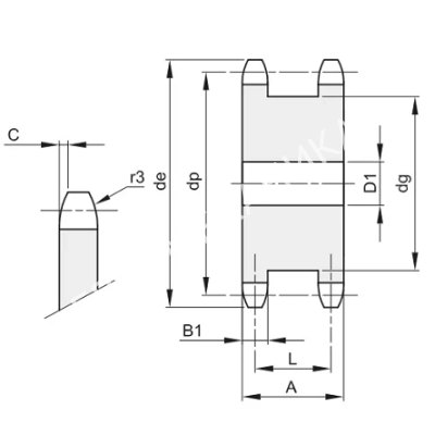
Звездочка является одним из элементов цепной передачи и служит для передачи вращения между паралельными валами,расположенными друг от друга на расстоянии.Изготавливаются из конструкционных марок сталей.Характеристики
|
Тип цепи
|
10B-1 |
|
Шаг цепи
|
15,875х9,65 мм (5/8х3/8) |
|
Количество рядов зубьев
|
Для двух однорядных |
|
Число зубьев,шт
|
21 |
|
Посадка на вал
|
Под расточку |
|
Делительный диаметр, dp, мм
|
106,52 |
|
Наружный диаметр, de, мм
|
113,4 |
|
Диаметр отверстия,D1,мм
|
20 |
|
Размер ролика цепи, мм
|
10,16 |
|
Ширина зуба, B1, мм
|
9,1 |
|
Ширина звездочки, A,мм
|
34 |
|
r3,мм
|
16 |
|
L, мм
|
24,9 |
|
dg, мм
|
90 |
|
Закалка зуба
|
Нет |
|
C, мм
|
1,6 |
|
Материал
|
Сталь C45 |
|
Производитель
|
BEA INGRANAGGI |
|
Вес, кг
|
1,88 |
Наличие
Новости
Все новости
12 марта 2026
«Евромеханика» получила благодарственное письмо
6 марта 2026
Поздравляем с 8 Марта!
2 марта 2026
Крупная отгрузка: работаем на промышленных масштабах






























