Втулка зажимная BK 26 55 x 65 (KLFC055), EMT
1 709 руб./шт
Есть в наличии
-
+
В корзину
Купить в 1 клик
Цена действительна при наличии товара на складе.
Ответим на все интересующие вопросы и подберём оптимальный вариант info@euromehanika.ru
Описание
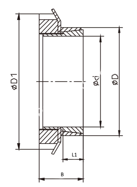
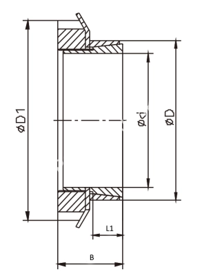
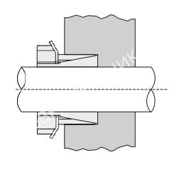
Втулка зажимная BK 26 55 x 65 (KLFC055), EMT применяется для монтажа звезд, шкивов, барабанов и других изделий на цилиндрический, бесшпоночный вал.Характеристики
|
Тип
|
BK 26 |
|
D1, мм
|
80 |
|
Момент затяжки, Nm
|
1100 |
|
Размер, d x D, мм
|
55 x 65 |
|
Длина втулки L1, мм
|
12 |
|
B, мм
|
27 |
|
Крутящий момент, Nm
|
796 |
|
Нагрузка, KN
|
29 |
|
Давление на поверхность вала, N/мм2
|
129 |
|
Давление на поверхность ступицы, N/мм2
|
109 |
|
Тип болта, мм
|
M60x2 |
|
Материал
|
Сталь C45 |
|
Производитель
|
EMT |
|
Вес, кг
|
0,72 |
Наличие
Будьте всегда в курсе!
Узнавайте о скидках и акциях первым
Новости
Все новости
17 сентября 2025
«Евромеханика» в Телеграм
12 сентября 2025
Новое поступление шестерней
8 августа 2025
Поступление зубчатых шкивов

































