Втулка зажимная BK 40 19 x 47 (KLGG019)
1 177 руб./шт
Уточните наличие и цену
Нашли дешевле?
Запрос цены
Наши менеджеры обязательно свяжутся с вами и уточнят условия заказа
Цена действительна при наличии товара на складе.
Минимальная сумма заказа - 1000 рублей.
Ответим на все интересующие вопросы и подберём оптимальный вариант info@euromehanika.ru
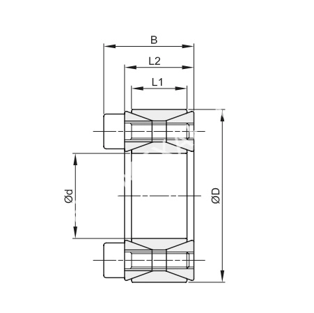
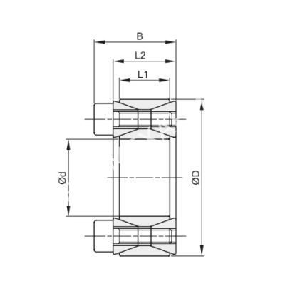
Описание
Зажимные втулки BK 40 не самоцентрирующиеся.Допуск посадки: вал h11, ступица H11
Контактные поверхности с шероховатостью: Rt Max 16 мкм
Характеристики
|
Тип
|
BK 40 |
|
Момент затяжки, Nm
|
14.9 |
|
Размер, d x D, мм
|
19 x 47 |
|
Длина втулки L1, мм
|
17 |
|
Длина втулки L2, мм
|
20 |
|
Крутящий момент, Nm
|
298 |
|
Нагрузка, KN
|
31 |
|
Давление на поверхность вала, N/мм2
|
286 |
|
Давление на поверхность ступицы, N/мм2
|
116 |
|
Количество болтов, шт
|
8 |
|
Тип болта, мм
|
M6x18 |
|
B, мм
|
26 |
|
Материал
|
Сталь C45 |
|
Производитель
|
BEA INGRANAGGI |
|
Вес, кг
|
0.25 |
Наличие
Новости
Все новости
6 апреля 2026
Нашли дешевле? Мы предложим максимально выгодную цену!
12 марта 2026
«Евромеханика» получила благодарственное письмо
6 марта 2026
Поздравляем с 8 Марта!





























